DLY B Tipi Kaçak Akım Rölesi
Eğer B tipi kaçak akım rölesi kullanıyorsanız , kullanmanız gereken toroid akım trafosu B tipi olmalıdır.
Çünkü B tipi toroid akım trafolarında AC ve DC olarak çift sargı vardır. B tipi kaçak akım rölesine bu iki sargının 4 ucu bağlanır. AC sargı AC kaçak bilgisini DC sargı DC kaçak akım miktarını B tipi kaçak akım rölesine iletilir.
Eğer B tipi kaçak akım rölesini AC bir toroid akım trafosuna bağlarsanız , B tipi röleye DC kaçak akım miktarı ulaşmayacağı için B tipi röle AC tip olarak çalışır. Dolayısıyla bir bir faydasını görmezsiniz.
B tipi Toroid Akım Trafosu Seçim Tablosu :
https://www.esismuhendislik.com.tr/icerik-detay-tip-b-toroid-akim-trafolari-92.html
ELR-3BN B tipi Kaçak Akım Rölesi Özellikleri
1. Tip B
2. TRMS Ölçüm Özelliği
3. Modüler Raya Montaj
4. Tip B toroid Akım Trafoları ile 4 uçlu Bağlantı
5. 3 renk durum bilgisi ( Alarm=Sarı ,Normal Çalışma = Yeşil , Trip = Kırmızı )
6. Manuel Test ve Reset Özelliği
7. Uzaktan Test ve Reset Özelliği
8. Trip ve Alarm Olarak 2 farklı kuru kontak çıkışı
9. RS485 Mudbus haberleşme protokolü ile veri transferi ve bütün sacada programları ile uyumlu anlık izleme özelliği
10. LCD Ekran
11. AC , DC , RMS ve Maksimum Kaçak Akım Miktarlarını ekranında ayrı ayrı gösterebilme özelliği

12. 30 mA – 10 A Arası Açma Akımı Ayarı ( 1 mA adımlar ile ,Opsiyonel 100 Amper’e kadar )
13. 20 mS – 10 Saniye Arası Açma Zamanı Ayarı ( 1 ms adımlar ile )
14. Toroid akım trafosu kablosu bağlantısı kopması durumunda veya toroid akım trafosu arıza durumlarını bildirme özelliğine sahiptir.
15. Trip zamanını geriye dönük kaydetme özelliği
16. Üniversal Besleme Voltajı : 85 – 250 Volt AC , 120 – 350 Volt DC
17. Çalışma Sıcaklığı ( – 10 ) – ( 60 ) Derece
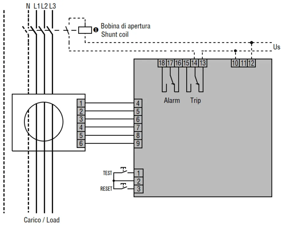
B Tipi Kaçak Akım Rölesi Bağlantı Şekli:

