CT-1S Kaçak Akım Röleleri İçin Toplayıcı Toroid Akım Trafosu

Toplayıcı Tip Toroid Akım Trafosu Seçerken dikkat etmemiz gereken en önemli nokta 300 mA duyarlılığa sahip olmasıdır. Aksi durumda yangın korumaya yönelik kullanılamaz. Toplayıcı Tip Toroid Akım Trafosu sayesinde hiçbir bağlantıyı ayırmanıza gerek kalmaz. Sisteminizde mevcut olan akım trafolarını toplayıcı trafoya paralel bir şekilde bağladığınızda toroid akım trafosu şeklinde çalışır. Faz baraları ve nötr barasında bulunan 4 adet normal akım trafosunun vektörel farkını alarak kaçak akım rölesine bilgi gönderir.

Kaçak akım rölesi gelen bilginin harmonik akım kısmını filtre eder. Gerçek kaçak akım kısmını referans kabul ederek işlem yapar. Toplayıcı tip toroid akım trafosu aynı zamanda nötr kullanmayan sistemlerde çalışabilir.

16 kişi, şuan bu ürünü inceliyor.

DLY CT-1S Nötr Bulunan veya Bulunmayan Sistemler için Toplayıcı Tip Toroid Akım Trafoları

Toplayıcı tip toroid akım trafoları bara veya kablo çaplarının çok büyük olduğu ana dağıtım panoları gibi yerlerde kaçak akım koruma sistemi ilave etmek için çözüm sunar. Normal akım trafolarını toroid akım trafosu olarak çalıştıran sistemin adıdır.

 Toplayıcı Tip Toroid Akım Trafosu Seçerken dikkat etmemiz gereken en önemli noktalar;

1.  Alt sınır olarak maksimum 300 mili amper’e duyarlı olmalıdır.

2.  Alt sınır olarak maksimum 200 mili saniye’ye duyarlı olmalıdır.

3. Tip A kaçak akım rölesi olarak çalışabilmelidir. AC ( alternatif akım ) ve DC ( doğru akım ) olarak sistemi koruyabilmedir.

Aksi durumda yangın korumaya yönelik kullanılamaz.

Çalışma ve sosyal güvenlik bakanlığı veya TSE gibi devletin resmi kurumlarını aradığınızda A tipi kaçak akım rölesi kullanılması gerektiğini öğrenebilirsiniz.

A tipi kaçak akım rölesi demek AC ( alternatif akım ) ve DC  ( doğru akım ) koruması olan insanı ve diğer canlıları korumada yeterliliği en yüksek kaçak akım rölesi demektir. Bir kaçak akım rölesi A tipinin özelliğini sağlamıyorsa kaçak akım rölesi değildir ve asla kullanılmamalıdır. Çünkü günümüz teknolojisinde AC ve DC cihazlar birlikte ve iç içe kullanılmaktadır. Örneğin bir fabrikada bütün MCC panolarında ve bunları besleyen bütün dağıtım panolarında binlerce Sürücü , güç kaynağı , kaynak makinaları gibi bir çok DC özellikli cihaz bulunmaktadır. Dolayısı ile A tipi bir kaçak akım röleniz yok ise DC kaçak akımlarda sistemi koruyamaz.

A tipi kaçak akım rölesinin sembolü aşağıda görüldüğü gibidir.

TİP A : AC ve DC KORUMA

Günümüz teknolojisinde harmonik ve benzeri elektriksel problemler A tipi kaçak akım rölesinin istenmeyen açmalar yapmasına neden olmuştur. Bu istenmeyen açmaların önüne geçmek için ; elektriksel problemlerin nedeni göz önünde bulundurularak  aşağıdaki tiplerde

a) A tipinin algılama frekansını 2000 Hz ile sınırlayıp B tipi olarak,

b) A tipinin algılama frekansını 1000 Hz ile sınırlayıp F tipi olarak,

c) A tipinin algılama frekansını 150 Hz ile sınırlayıp A tipi harmonik filtreli olarak

Üretilmişlerdir.

Bu tipte röleler üretilirken de asla A tipinin AC ve DC korumasını engellemeden ve eksiltmeden üretilirler. Yani eğer A tipi AC ve DC koruması olan bir röleye bir filtre veya farklı bir bağışıklık kazandırıyorsanız A tipinin AC ve DC korumasına müdahale etmeden yapılmalıdır. Aksi durumda A tipinin özelliğini ortadan kaldırarak veya eksilterek bu işi yapıyorsanız üretmiş olduğunuz bu ürün asla bir A tipi kaçak akım rölesi değil sadece ve sadece merdiven altı çöpe atılması gereken  bir üründür.

Kaçak akım rölelerini üreten firma ile toroid akım trafolarını üreten firma aynı firma olmak zorundadır. Çünkü bir ürün kendi toroid akım trafosu ile test edilir ve belgelendirilir. Sanayide araba toplar gibi kaçak akım rölesi toplayamazsınız. Aynı zamanda bir ürünün ithal olduğu söyleniyorsa , hangi ülkenin ürünü ise bütün belgeleri ve ayrıntıları ile birlikte kendi ülkesinde yasal olarak paylaşılmalı ve satışı yapılmalıdır. Kendi ülkesinde bulunmayan bir ürünü alıp kullanıyorsanız bu dünyanın enayisi de sizsiniz demektir.

A tipi F tipi veya B tipi kaçak akım rölelerinin testleri tek bir şekilde yapılabilir.

Bir çok markanın kaçak akım rölesi test cihazı şeklinde cihazları vardır.

Bu cihazlarda A tipi sembolü olarak aşağıdaki sembol veya direkt olarak A tipi olarak yazabilir.

Sembol

Veya

Öncelikle test’e başlamadan cihazı Tip A fonksiyonuna almalısınız. Bu fonksiyona aldığınızda cihazlar AC ve DC test sinyalini birlikte gönderir. Böylece rölenin AC ve DC kaçak akımlara tepkisi ölçülür. Röle gerçekten A tipi , F tipi veya B tipi rölelerden herhangi biri ise bu sinyale mutlaka cevap verecektir. Çünkü A tipinin özelliğini sadece A tipi değil F ve B tipi rölelerde sağlamak zorundadırlar.  Harmonik Filtreli A tipi kaçak akım rölelerini test yaparken mutlaka filtresinin devrede olduğundan emin olun. Çünkü sahada bu şekliyle kullanacaksınız.

İkinci olarak Cihazda test akımı rölenin ayarlandığı akımla aynı değere veya röleyi açma akımını cihazın test akımının %70 ile %100 ‘ü arasında bir değere ayarlamalısınız. Yani cihazda 30 mA test akımı seçmişseniz kaçak akım rölesi de 21 mA ile 30 mA’e arasında bir değere ayarlanabilir. Rölelerin A tipi olup olmadığını mutlaka 30 mA test akımıyla yapın. Cihazlarınızda bu test akımının üstünde bir değer seçmeyin. Çünkü AC ve DC akımlara duyarlılık en alt seviyede ölçülür , üst seviyelerde değil.

Cihaz ile test başlatıldığında rölenin açma akımı 30 mA’in altında açma zamanı da 200 mili saniyenin altında olmalıdır. Eğer A tipi diye söylenen röleyi  test yaptığınızda bu gerçekleşmez ise bu röle kesinlikle A tipi değildir merdiven altı üretimdir demektir.

Bu işi yapan firmaların bir çoğu bir test cihazı ile birlikte dolaşırlar. Röle demoları yapıp kendi yanlarında götürdükleri cihazları A tipi moduna değil de AC moduna alıp test yaparlar.

AC modu :

Çünkü A tipi olarak test yaptıklarında bütün foyaları ortaya çıkacaktır.

AC tipi modunda Röleyi açtırıp üstüne de onlarca yalan söyleyip size bu ürünleri satarlar.

Bir de aldığınız ürünlerin broşürlerine ve kestikleri faturalara , irsaliyelere bakın hepsinde A tipi , F tipi , B tipi şeklinde yazıyor. Ama ne yazık ki sahada montajı yapılmış ve kullanılmakta olan hali ile bu ürünler bırakın F tipi , B tipi veya Harmonik filtreli A tipi olmayı A bile değiller.

Aslında burada başardıkları tek şey müşterinin röle tutar mı tutmaz mı endişesini ortadan kaldırmaktı. Bir de bunu yaparken de bütün dünya çapında global markaların A tipi gerçek rölelerini kötüleme hadsizliğinde bile bulunurlar. A tipi rölelerin DC koruması yokmuş algısı yaratarak yanlarında getirdikleri A tipi olmayın dahi başaramayan röleleri satmaya çalışırlar.

Arkadaşlar bir çoğunuz lisans mezunu insanlar ve yılların deneyimine sahip teknik elemanlarsınız. Hiç bu ürünleri global markaların ürünleri ile yan yana bağladınız ve test ettiniz mi.

Mühendisler odalarından röle test cihazı ile tarafsız bilirkişi çağırın. Kardeşim şu rölenin A tipi olup olmadığını bir test eder misin diye sorar mısınız? A tipini bile üretmeyi başaramamış bu adamlar bize ne satıyorlar diye sorar mısınız?

Gerçekte olması gereken önce A tipini başaracaksınız. Sonra A tipinin AC ve DC korumasını eksiltmeden , ortadan kaldırmadan ek bir şey eklemişsen ne ala.

Kaçak akım röleleri elektrik kaynaklı çarpılmaları ve elektrik kaynaklı yangınları önlemede bir numaralı ekipmandır. Bütün bunları bilmeden ürün seçerseniz günün birinde elektrik kaynaklı bir iş güvenliği kazası yaşadığınızda bilirkişi ve savcı gelecek. Bilirkişi bu kaçak akım rölesini A tipi olarak test edecek. Eğer röle A tipi değilse yani bir kaçak akım rölesi değilse savcı size soracak.

Bu ürünü siz nasıl test yapıp aldınız.

Bu ürünü kim üretti. Hangi ülkeden geldi. Bu ürünün arkasında kim duracak . Eğer ürünün geldiği ülkede bile ürün yoksa vay halinize . Bütün suçu üstlenmiş olacaksınız. Çünkü kimse size zorla cihaz satmıyor. Kendi hatalarınızın kurbanı olmayın.

Milyonlarca lira harcayıp fabrikalar , solar sistemler , araç şarjlar vs yapıyorsunuz. Bunların maliyetlerinin yanında deve’de kulak bile sayılmayacak bir maliyette olan kaçak akım rölelerini üç tane aklı kendine bile zor yeten asalağın algısına bakarak seçerseniz varacağınız yer hüsrandır.

Röle testlerinin nasıl yapılıp kabul edilmesi gerektiği sayfanın sonundaki  video da anlatılmıştır.


ÜRÜN KODU : DLY CT-1S

BAĞLANTI ŞEKİLLERİ :

Nötr bulunan sistemde KAR1-H kaçak akım rölesi ile CT-1S toplayıcı tip toroid akım trafosu bağlantısı:

Nötr bulunmayan sistemde KAR1-H kaçak akım rölesi ile CT-1S toplayıcı tip toroid akım trafosu bağlantısı:

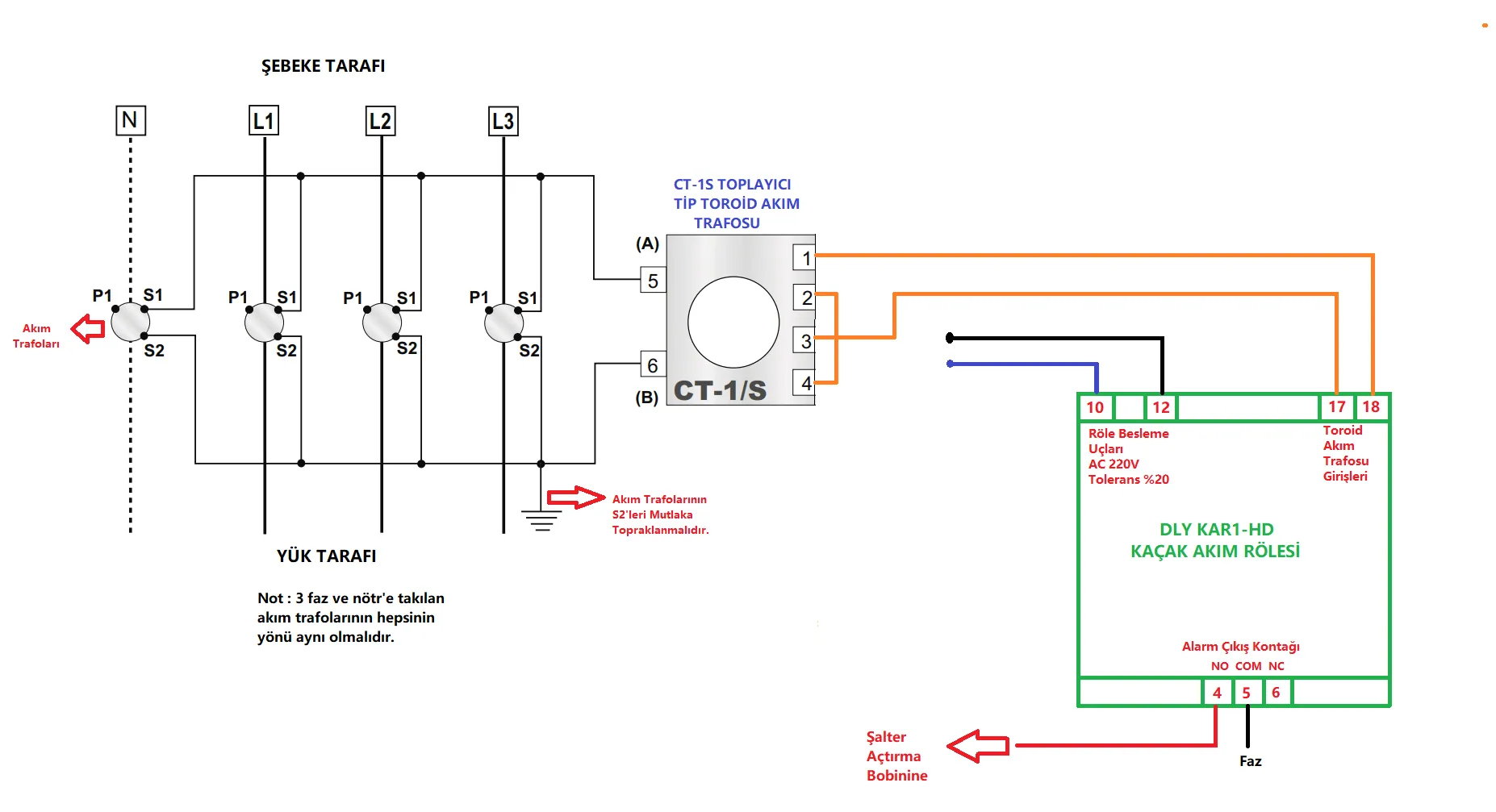
Nötr bulunan sistemde KAR1-HD kaçak akım rölesi ile CT-1S toplayıcı tip toroid akım trafosu bağlantısı:

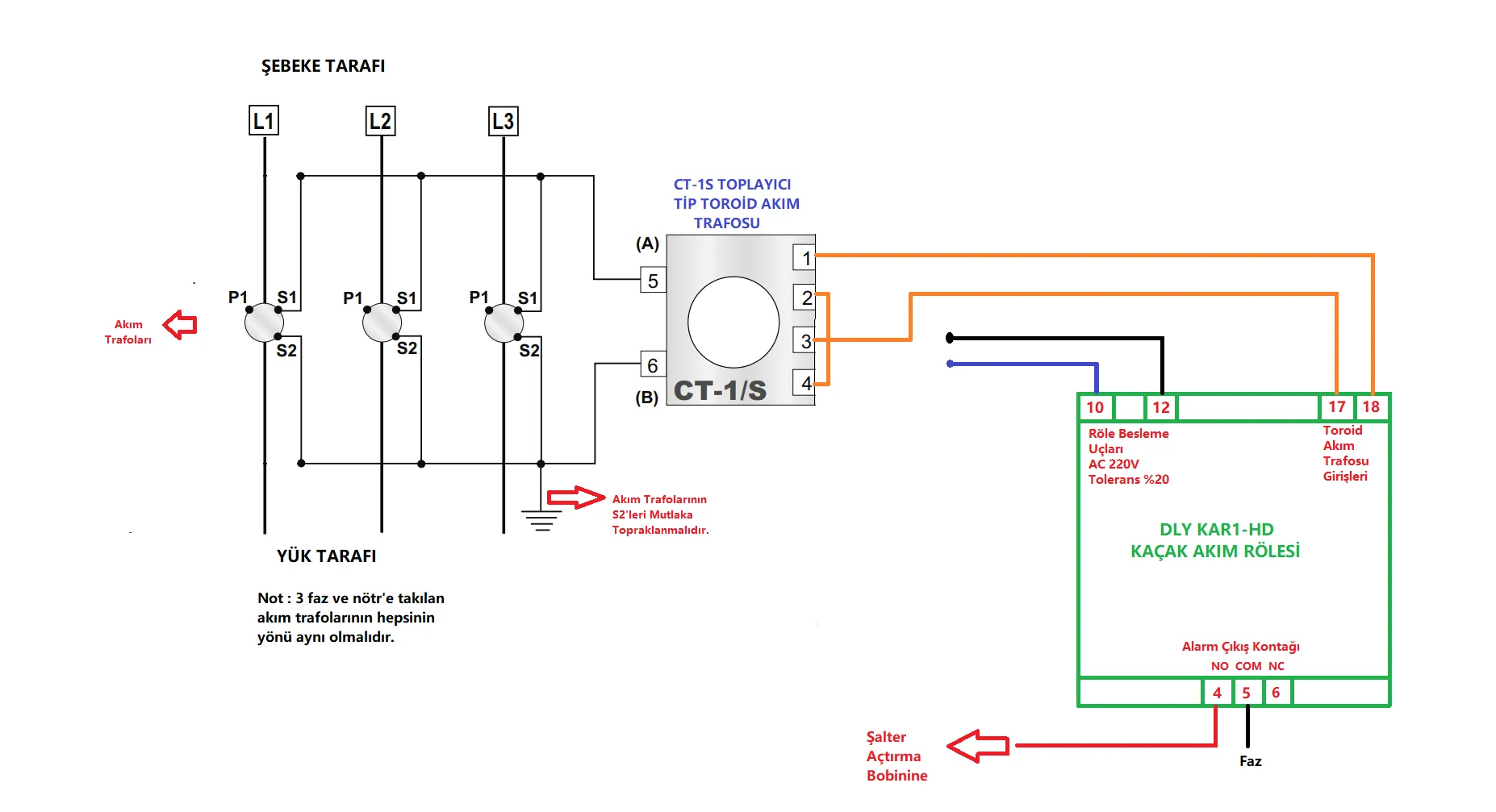
Nötr bulunmayan sistemde KAR1-HD kaçak akım rölesi ile CT-1S toplayıcı tip toroid akım trafosu bağlantısı:

Nötr bulunan sistemde KAR4-H kaçak akım rölesi ile CT-1S toplayıcı tip toroid akım trafosu bağlantısı:

Nötr bulunmayan sistemde KAR4-H kaçak akım rölesi ile CT-1S toplayıcı tip toroid akım trafosu bağlantısı:

Toplayıcı Tip Toroid Akım Trafoları