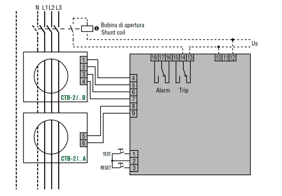
Tip B Toroid Akım Trafoları
Eğer B tipi kaçak akım rölesi kullanıyorsanız , kullanmanız gereken toroid akım trafosu B tipi olmalıdır.
Çünkü B tipi toroid akım trafolarında AC ve DC olarak çift sargı vardır. B tipi kaçak akım rölesine bu iki sargının 4 ucu bağlanır. AC sargı AC kaçak bilgisini DC sargı DC kaçak akım miktarını B tipi kaçak akım rölesine iletilir.
Eğer B tipi kaçak akım rölesini AC bir toroid akım trafosu na bağlarsanız , B tipi röleye DC kaçak akım miktarı ulaşmayacağı için B tipi röle AC tip olarak çalışır. Dolayısıyla bir bir faydasını görmezsiniz.
15
kişi, şuan bu ürünü inceliyor.
ÜRÜN KODLARI :

Tip B Toroid Akım Trafosu Bağlantı Şekli:

